LED indicadores

 
- página modificada en junio del 2006 - (página en inglés)

 

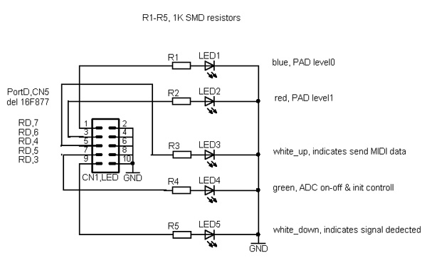
El circuito impreso (PCB: Printed Circuit Board) para los 5 LED's que indican distintos estados del circuito (v. tabla 4) se ha reutilizado de otro proyecto. Por ese motivo para conectar el PuertoD del 16F877 al PCB de los LED's hay que adaptar el cable (v. esquema).
 

 

bajar el esquema & la capa para el fotolito del circuito impreso (PCB)